替代LTC4413双通道理想二极管负载2.6A电流
概述:(替代LTC4413)
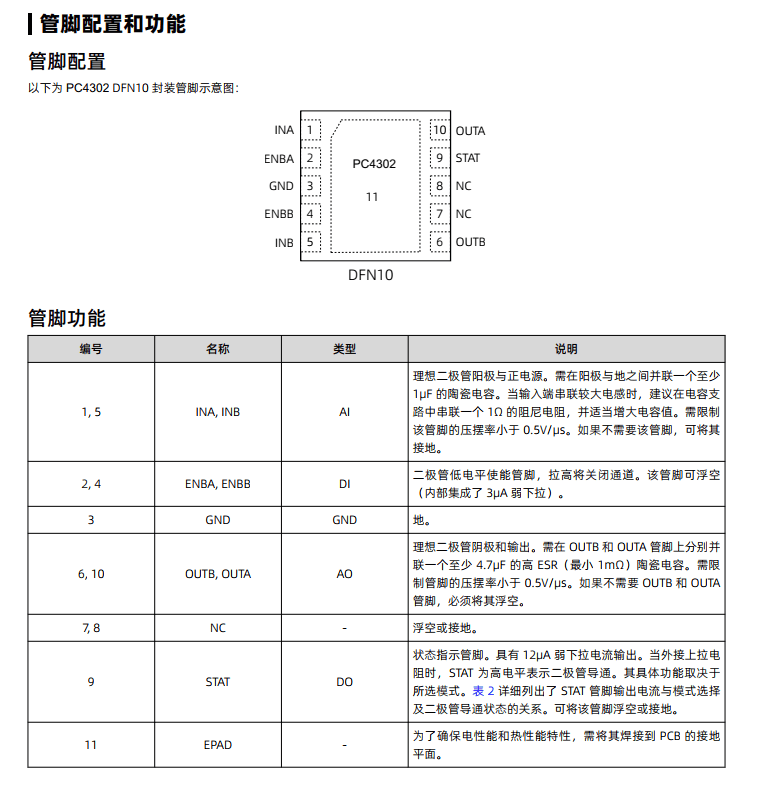
PC4302 是一款集成双通道理想二极管芯片,每个通道能够支持2.5V 至 5.5V 的输入电压范围,并提供高达 2.6A 的输出电流。每个二极管通道通过一个 70mΩ 的 P 沟道 MOSFET 实现,分别将 INA 连接至 OUTA,以及 INB 连接至 OUTB。在正常工作状态下,每个二极管的正向压降可低至 18mV。当负载电流达 到100mA 时,静态电流低于 25µA。若任一输出电压超过其对应输入电压,相应的 MOSFET 将自动关闭,此时从输出端到输入端的反向电流将小于 1µA。每个 MOSFET 的最大正向电流被限制在恒定的 2.6A,同时内部过热保护电路可在故障条件下确保芯片安全。PC4302 配备了两个高电平有效的控制管脚,可独立关闭内部的两个理想二极管通道。当所选通道反向偏置或 PC4302 进入低功耗待机模式时,状态信号会以低电压指示该状态。PC4302 还提供了一个 12µA 的开漏 STAT 管脚,用于指示二极管的导通状态。当 STAT 管脚通过 470kΩ 电阻上拉至正电源时,高电平表示所选二极管处于导通状态。该信号还可用于驱动外部辅助 P 沟道 MOSFET 管电源开关,以便在 PC4302 不导通时控制第三路备用电源。PC4302 采用 DFN10 型封装,其工作温度范围为–40°C~85°C。

特征
#双通道理想二极管 ORing 或负载均分
#ORing 二极管的低损耗替代方案
#低正向导通电阻:典型值为 70mΩ(3.6V)
#低反向漏电流:最大值为 1μA
#低正向压降:典型值为 18mV
#工作电压范围:2.5V~5.5V
#最大正向电流:2.6A
#慢速开关特性,防止感性源阻抗引起的电压尖峰
展开全文
#超低静态电流
#导通状态输出管脚(指示选定通道是否导通)
#可编程通道开/关控制
#限流保护和过热保护
#DFN10 3mm × 3mm 封装

应用:
手持设备中的电池和电源适配器二极管 ORing
备用电池二极管 ORing
电源切换
USB 外设
不间断电源









评论